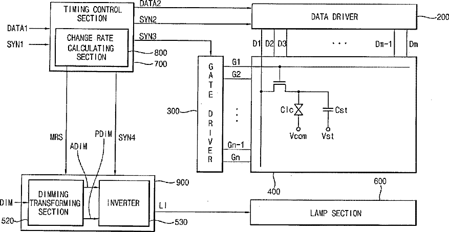
标题:
Method of driving a lamp, lamp driving apparatus, and liquid crystal display device having the same
授权日:
1900-01-01
公开(公告)号:
US20070182701A1
申请日:
2007-01-31
公开(公告)日:
2007-08-09
当前申请(专利权)人:
SAMSUNG DISPLAY CO., LTD.
发明人:
KIM, MIN-GYU | JANG, HYEON-YONG
简单同族:
JP2007213072A | KR101220520B1 | KR1020070080020A | US20070182701A1 | US7839096
简单同族成员数量:
5
简单同族被引用专利总数:
55
诉讼案件数:
0
法律状态/事件:
未缴年费 | 权利转移