首页
专利数据库
产业人才
行业动态
产业政策法规
维权援助
个人中心
登录/注册
详情
文本
图像
标题:
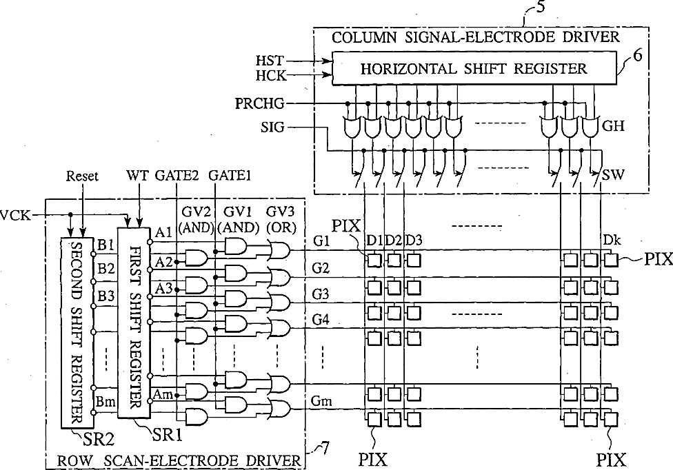
Active matrix liquid crystal display
授权日:
1900-01-01
公开(公告)号:
US20040104881A1
申请日:
2003-07-22
公开(公告)日:
2004-06-03
当前申请(专利权)人:
JVC KENWOOD CORPORATION
发明人:
FURUYA, MASATO
简单同族:
JP2004061552A | JP3901048B2 | US20040104881A1 | US7193601
简单同族成员数量:
4
简单同族被引用专利总数:
85
诉讼案件数:
0
法律状态/事件:
授权 | 权利转移