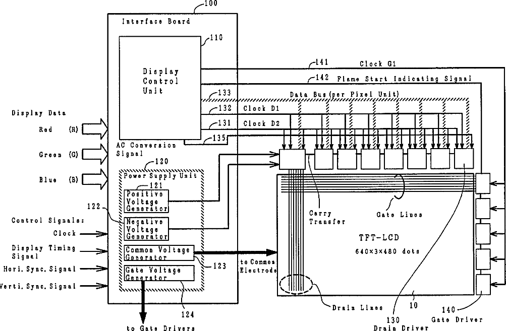
标题:
Liquid crystal display device
授权日:
1900-01-01
公开(公告)号:
US20010024183A1
申请日:
2001-05-11
公开(公告)日:
2001-09-27
当前申请(专利权)人:
PANASONIC LIQUID CRYSTAL DISPLAY CO., LTD.
发明人:
ODE, YUKIHIDE | OGURA, AKIRA | AGATA, KENTARO | KUROKAWA, KAZUNARI | FUJIOKA, TAKAHIRO | KATAYANAGI, HIROSHI | GOTO, MITSURU
简单同族:
JP1999109928A | JP3464599B2 | KR100391945B1 | KR1019990036801A | TW446930B | US20010024183A1 | US6232941 | US6518946
简单同族成员数量:
8
简单同族被引用专利总数:
131
诉讼案件数:
0
法律状态/事件:
期限届满 | 权利转移