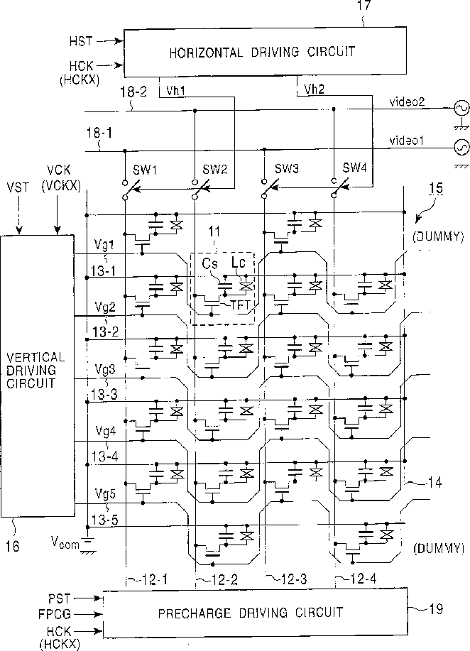
标题:
Display device and method for driving the same
授权日:
1900-01-01
公开(公告)号:
US20030206149A1
申请日:
2001-06-12
公开(公告)日:
2003-11-06
当前申请(专利权)人:
SONY CORPORATION
发明人:
YAMASHITA, JUNICHI | KASHIMA, TOMOHIRO
简单同族:
EP1164567A2 | EP1164567A3 | EP1164567B1 | HK1043855A | JP2001356740A | JP4894081B2 | KR100768117B1 | KR1020020005419A | NO20012911A | NO20012911D0 | NO20012911L | NO323308B1 | TW522367B | US20030206149A1 | US6744417
简单同族成员数量:
15
简单同族被引用专利总数:
76
诉讼案件数:
0
法律状态/事件:
未缴年费 | 权利转移