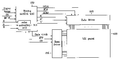
标题:
Color correction liquid crystal display and method of driving same
授权日:
2006-04-18
公开(公告)号:
US7030846
申请日:
2001-07-10
公开(公告)日:
2006-04-18
当前申请(专利权)人:
SAMSUNG DISPLAY CO., LTD.
发明人:
LEE, SEUNG-WOO | KIM, JONG-SEON | KWON, SU-HYUN
简单同族:
CN1290074C | CN1395229A | JP2003029724A | JP2009064031A | JP2009230157A | JP4923021B2 | JP4929315B2 | KR100750929B1 | KR1020030005748A | TWI288856B | US20030016199A1 | US20060007089A1 | US20100309234A1 | US7030846 | US7746304 | US8823618 | WO2003007287A1
简单同族成员数量:
17
简单同族被引用专利总数:
155
诉讼案件数:
0
法律状态/事件:
授权 | 权利转移