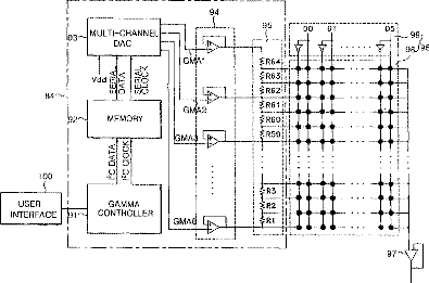
标题:
Apparatus and method for correcting gamma voltage and video data in liquid crystal display
授权日:
2007-11-20
公开(公告)号:
US7298352
申请日:
2001-06-28
公开(公告)日:
2007-11-20
当前申请(专利权)人:
LG DISPLAY CO., LTD.
发明人:
KANG, SIN HO | JANG, KYEONG KUN | LEE, SANG TAE | EU, JUNG TAECK | SOHNG, KYU IK | LEE, SANG HOON | GOO, BYUNG JOON
简单同族:
JP2002123232A | JP2008176329A | JP4201070B2 | US20020063666A1 | US7298352
简单同族成员数量:
5
简单同族被引用专利总数:
139
诉讼案件数:
0
法律状态/事件:
授权 | 权利转移