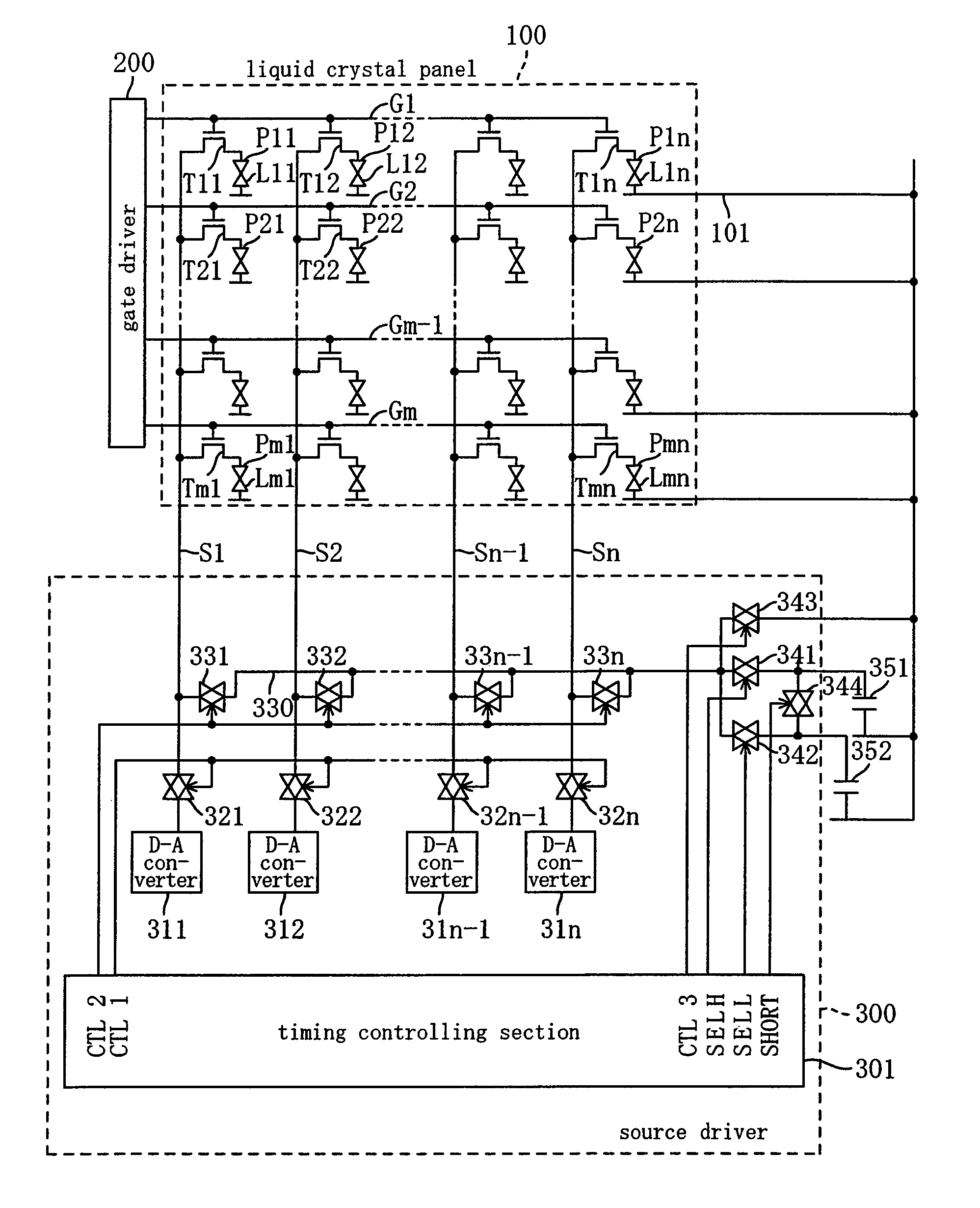
标题:
Liquid crystal panel driving device
授权日:
2011-10-11
公开(公告)号:
US8035602
申请日:
2010-06-17
公开(公告)日:
2011-10-11
当前申请(专利权)人:
GODO KAISHA IP BRIDGE 1
发明人:
NISHI, KAZUYOSHI | DATE, YOSHITO
简单同族:
CN1311420C | CN1444201A | DE60332408D1 | EP1345203A1 | EP1345203B1 | JP2003271105A | JP3820379B2 | KR100900606B1 | KR1020030074402A | TW200305133A | TWI255436B | US20030174119A1 | US20060232542A1 | US20100253669A1 | US7084852 | US7764260 | US8035602
简单同族成员数量:
17
简单同族被引用专利总数:
72
诉讼案件数:
0
法律状态/事件:
授权 | 权利转移