标题:
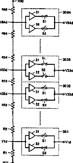
Image display apparatus
授权日:
2008-01-29
公开(公告)号:
US7324079
申请日:
2002-11-20
公开(公告)日:
2008-01-29
当前申请(专利权)人:
MITSUBISHI DENKI KABUSHIKI KAISHA
发明人:
TOBITA, YOUICHI
简单同族:
CN100385491C | CN1628334A | DE10297630T5 | JPWO2004047067A1 | KR100698951B1 | KR1020040071691A | TW200409076A | TWI284312B | US20050057470A1 | US20070057897A1 | US7324079 | WO2004047067A1
简单同族成员数量:
12
简单同族被引用专利总数:
48
诉讼案件数:
0
法律状态/事件:
未缴年费 | 权利转移