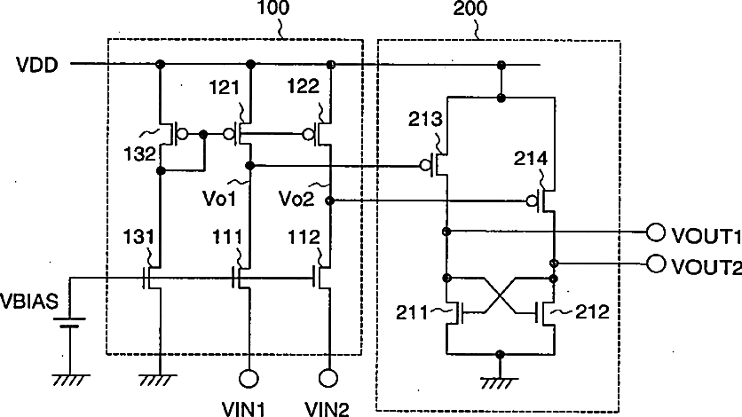
标题:
Liquid crystal display apparatus having level conversion circuit
授权日:
1900-01-01
公开(公告)号:
US20040196249A1
申请日:
2004-03-11
公开(公告)日:
2004-10-07
当前申请(专利权)人:
PANASONIC LIQUID CRYSTAL DISPLAY CO., LTD.
发明人:
SATO, HIDEO | MIKAMI, YOSHIRO | KAGEYAMA, HIROSHI | OHKUBO, TATSUYA
简单同族:
JP2000010533A | JP3412131B2 | KR100563169B1 | KR1020000006330A | TW436751B | US20020140660A1 | US20040196249A1 | US20060007216A1 | US6392625 | US6714184 | US6919873 | US7460100
简单同族成员数量:
12
简单同族被引用专利总数:
50
诉讼案件数:
0
法律状态/事件:
未缴年费 | 权利转移