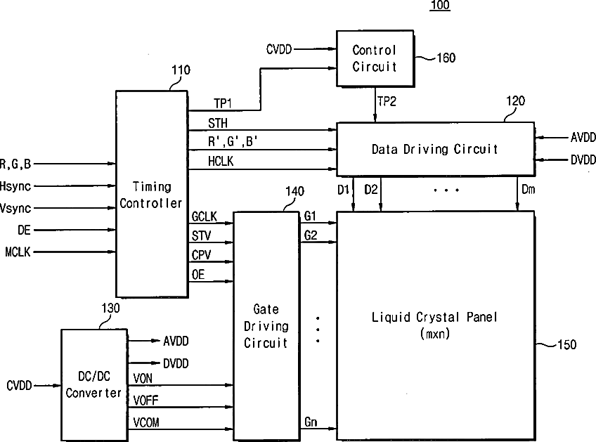
标题:
Flat panel display and method of driving the same
授权日:
1900-01-01
公开(公告)号:
US20070085801A1
申请日:
2006-05-23
公开(公告)日:
2007-04-19
当前申请(专利权)人:
SAMSUNG ELECTRONICS CO., LTD.
发明人:
PARK, WOO-IL | KIM, DAE-SEOP
简单同族:
CN1953007A | CN1953007B | JP2007114732A | JP2007114732A5 | JP4939847B2 | KR101267019B1 | KR1020070042363A | TW200717409A | TWI420449B | US20070085801A1
简单同族成员数量:
10
简单同族被引用专利总数:
69
诉讼案件数:
0
法律状态/事件:
撤回 | 权利转移