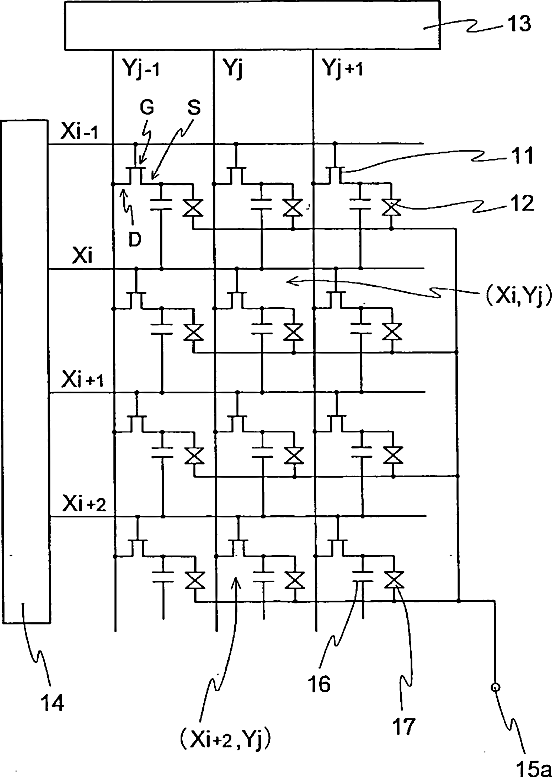
标题:
Liquid crystal display apparatus and driving method therefor
授权日:
1900-01-01
公开(公告)号:
US20030076289A1
申请日:
2002-12-02
公开(公告)日:
2003-04-24
当前申请(专利权)人:
MITSUBISHI ELECTRIC CORPORATION
发明人:
TOKONAMI, SUSUMU | SHIBATA, SUSUMU | AOKI, HIRONORI | NAGANO, SHINGO
简单同族:
JP2000035559A | JP3336408B2 | US20020175889A1 | US20030076289A1 | US6515646 | US6876351
简单同族成员数量:
6
简单同族被引用专利总数:
68
诉讼案件数:
0
法律状态/事件:
期限届满 | 权利转移