首页
专利数据库
产业人才
行业动态
产业政策法规
维权援助
个人中心
登录/注册
详情
文本
图像
标题:
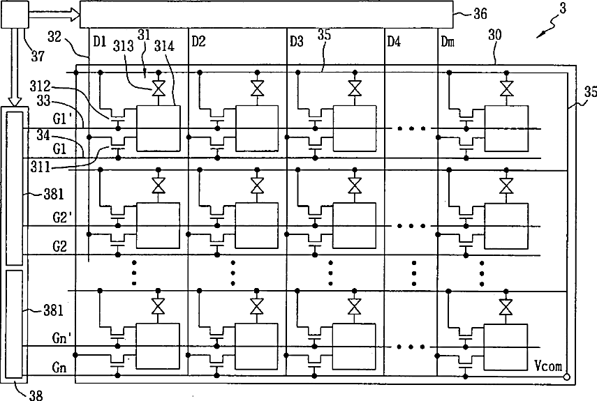
Liquid crystal display panel and liquid crystal display thereof
授权日:
2006-10-31
公开(公告)号:
US7129922
申请日:
2003-04-30
公开(公告)日:
2006-10-31
当前申请(专利权)人:
HANNSTAR DISPLAY CORPORATION
发明人:
SHIN, SEOB
简单同族:
CN100385323C | CN1550854A | EP1473693A2 | EP1473693A3 | JP2004334171A | TW200422707A | TWI251693B | US20040217931A1 | US7129922
简单同族成员数量:
9
简单同族被引用专利总数:
71
诉讼案件数:
0
法律状态/事件:
授权 | 权利转移