首页
专利数据库
产业人才
行业动态
产业政策法规
维权援助
个人中心
登录/注册
详情
文本
图像
标题:
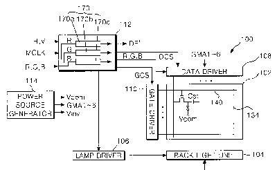
Liquid crystal display apparatus and driving method thereof
授权日:
2008-09-16
公开(公告)号:
US7425942
申请日:
2004-06-29
公开(公告)日:
2008-09-16
当前申请(专利权)人:
LG DISPLAY CO., LTD.
发明人:
LEE, JAE KYUN | KIM, KYONG SOEK
简单同族:
KR100965580B1 | KR1020050020265A | US20050041006A1 | US7425942
简单同族成员数量:
4
简单同族被引用专利总数:
53
诉讼案件数:
0
法律状态/事件:
授权 | 权利转移