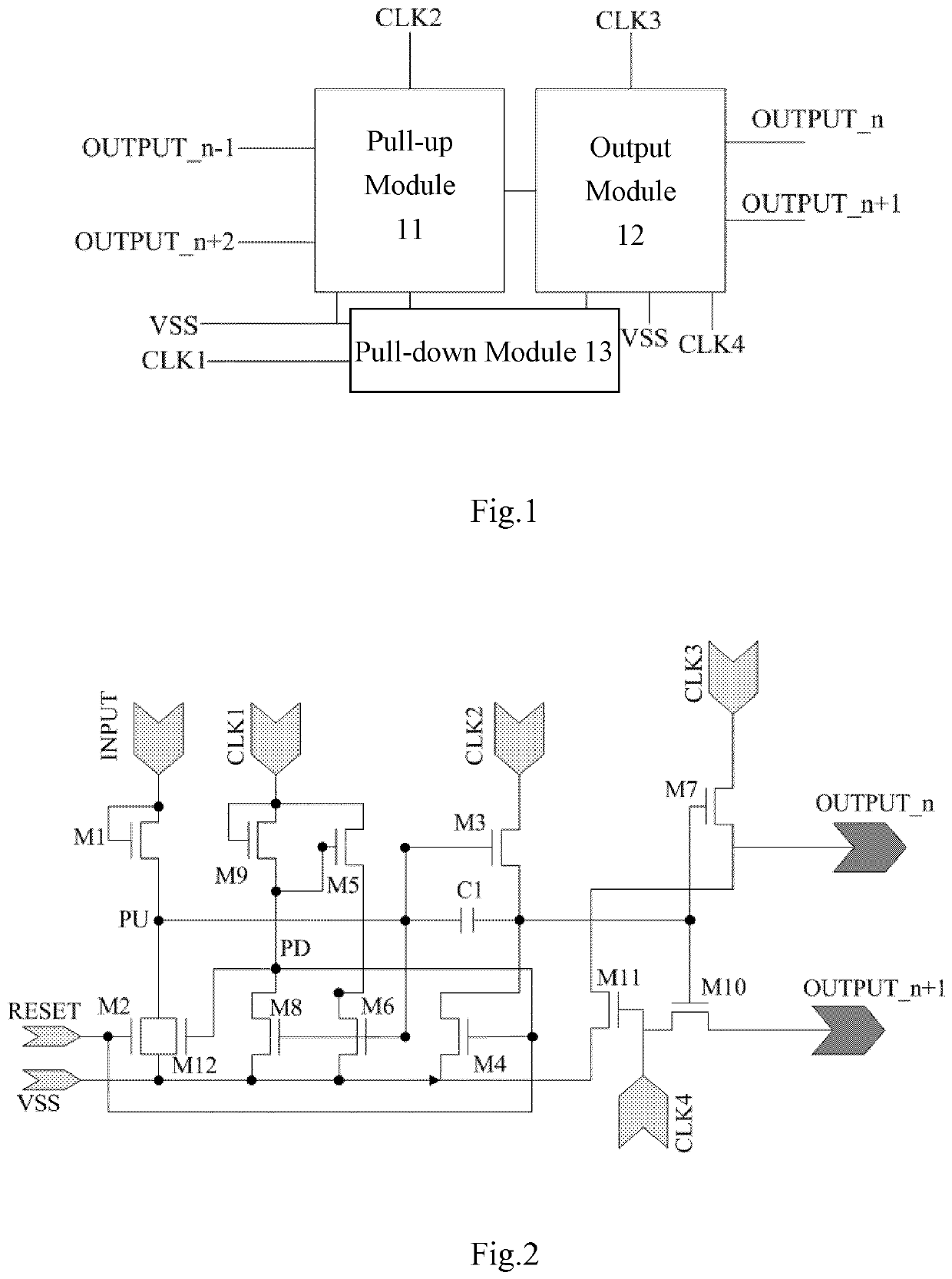
标题:
Gate driving circuit, method and liquid crystal display
授权日:
2019-07-31
公开(公告)号:
EP2879126B1
申请日:
2012-11-15
公开(公告)日:
2019-07-31
当前申请(专利权)人:
BEIJING BOE OPTOELECTRONICS TECHNOLOGY CO., LTD. | BOE TECHNOLOGY GROUP CO., LTD.
发明人:
CHEN, XIAOCHUAN | XUE, HAILIN | XUE, YANNA | LI, YUE | WANG, XUELU
简单同族:
CN103578433A | CN103578433B | EP2879126A1 | EP2879126A4 | EP2879126B1 | US20140159997A1 | US9886921 | WO2014015580A1
简单同族成员数量:
8
简单同族被引用专利总数:
59
诉讼案件数:
0
法律状态/事件:
授权