标题:
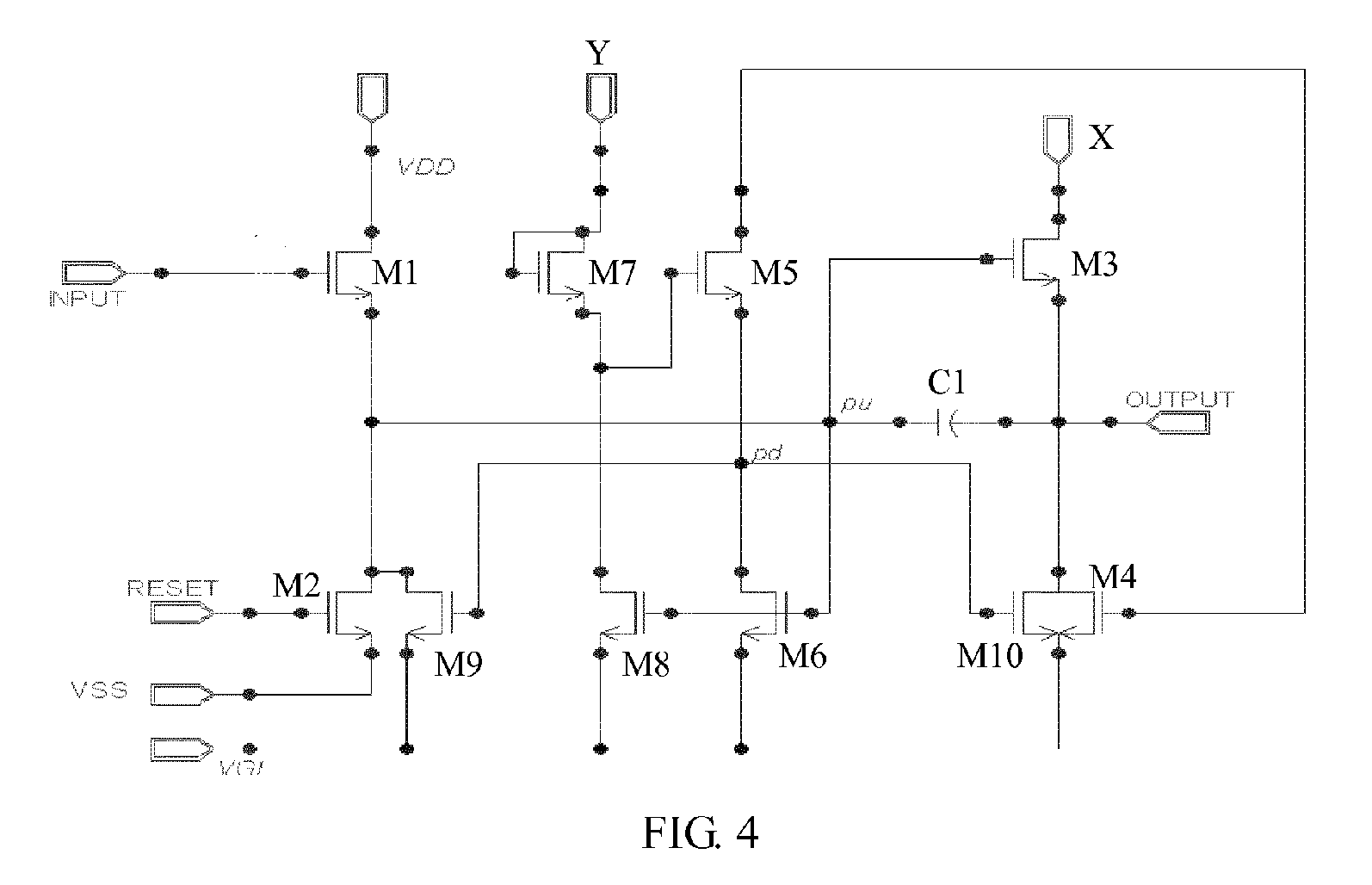
Gate integrated drive circuit, shift register and display screen
授权日:
1900-01-01
公开(公告)号:
EP2750122A1
申请日:
2012-08-21
公开(公告)日:
2014-07-02
当前申请(专利权)人:
BEIJING BOE OPTOELECTRONICS TECHNOLOGY CO. LTD.
发明人:
CHEN, XI
简单同族:
CN102629444A | CN102629444B | EP2750122A1 | EP2750122A4 | JP2014524598A | JP6227530B2 | KR101443126B1 | KR1020130043637A | US20130088265A1 | WO2013026387A1
简单同族成员数量:
10
简单同族被引用专利总数:
117
诉讼案件数:
0
法律状态/事件:
实质审查