首页
专利数据库
产业人才
行业动态
产业政策法规
维权援助
个人中心
登录/注册
详情
文本
图像
标题:
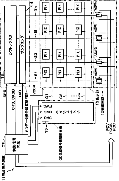
画像表示装置および表示駆動方法
授权日:
1900-01-01
公开(公告)号:
JP2003173175A
申请日:
2002-07-11
公开(公告)日:
2003-06-20
当前申请(专利权)人:
シャープ株式会社
发明人:
鷲尾 一 | 海瀬 泰佳 | 前田 和宏 | 久保田 靖
简单同族:
CN1265336C | CN1420482A | JP2003173175A | JP4271414B2 | KR100482259B1 | KR1020030026899A | TW558696B | US20030058232A1 | US6940500
简单同族成员数量:
9
简单同族被引用专利总数:
52
诉讼案件数:
0
法律状态/事件:
授权