首页
专利数据库
产业人才
行业动态
产业政策法规
维权援助
个人中心
登录/注册
详情
文本
图像
标题:
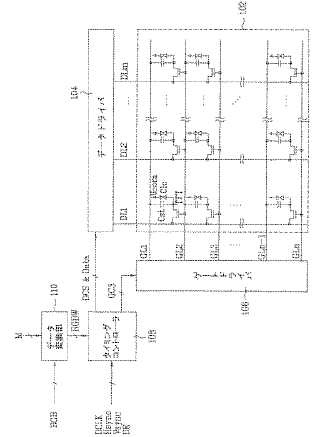
液晶表示装置の駆動装置及び駆動方法
授权日:
1900-01-01
公开(公告)号:
JP2007171907A
申请日:
2006-06-27
公开(公告)日:
2007-07-05
当前申请(专利权)人:
エルジー ディスプレイ カンパニー リミテッド
发明人:
權 耕 準
简单同族:
CN1987987A | CN1987987B | JP2007171907A | JP4566953B2 | KR101147084B1 | KR1020070065640A | US20070139326A1 | US7839418
简单同族成员数量:
8
简单同族被引用专利总数:
74
诉讼案件数:
0
法律状态/事件:
授权