首页
专利数据库
产业人才
行业动态
产业政策法规
维权援助
个人中心
登录/注册
详情
文本
图像
标题:
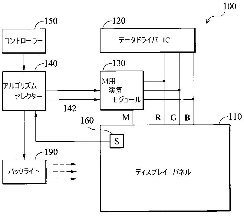
ディスプレイパネル及びその表示品質の改善方法
授权日:
1900-01-01
公开(公告)号:
JP2007086783A
申请日:
2006-09-19
公开(公告)日:
2007-04-05
当前申请(专利权)人:
友達光電股▲ふん▼有限公司
发明人:
洪 國永 | 張 志明 | 胡 至仁 | 貝 志駿 | 陳 志豪
简单同族:
CN100443966C | CN1800934A | JP2007086783A | JP5085906B2 | TW200712627A | TWI319103B | US20070063945A1 | US7636076
简单同族成员数量:
8
简单同族被引用专利总数:
84
诉讼案件数:
0
法律状态/事件:
授权