首页
专利数据库
产业人才
行业动态
产业政策法规
维权援助
个人中心
登录/注册
详情
文本
图像
标题:
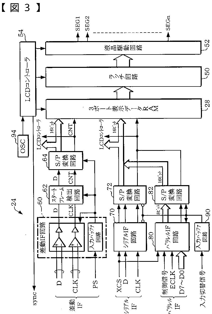
表示コントローラ、表示ユニット及び電子機器
授权日:
2006-01-06
公开(公告)号:
JP3755585B2
申请日:
2001-05-11
公开(公告)日:
2006-03-15
当前申请(专利权)人:
セイコーエプソン株式会社
发明人:
小泉 徳夫
简单同族:
CN100380916C | CN101261817A | CN101261817B | CN1385829A | JP2002341831A | JP3755585B2 | US20020186213A1 | US7061459
简单同族成员数量:
8
简单同族被引用专利总数:
61
诉讼案件数:
0
法律状态/事件:
未缴年费