标题:
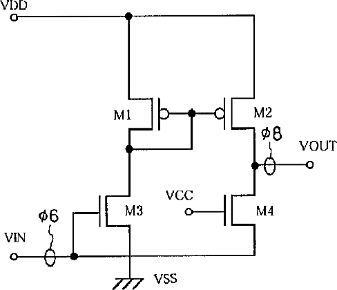
レベル変換回路および液晶表示装置
授权日:
1900-01-01
公开(公告)号:
JP2001237688A
申请日:
2000-02-24
公开(公告)日:
2001-08-31
当前申请(专利权)人:
株式会社日立製作所 | 株式会社 日立ディスプレイズ
发明人:
奥村 治久 | 尾手 幸秀
简单同族:
JP2001237688A | JP2001237688A5 | JP3734664B2 | KR100420455B1 | KR1020010100794A | TW594632B | US20010017609A1 | US20040004593A1 | US20060077198A1 | US20080273001A1 | US6593920 | US6995757 | US7408544 | US8159486
简单同族成员数量:
14
简单同族被引用专利总数:
84
诉讼案件数:
0
法律状态/事件:
未缴年费 | 权利转移