首页
专利数据库
产业人才
行业动态
产业政策法规
维权援助
个人中心
登录/注册
详情
文本
图像
标题:
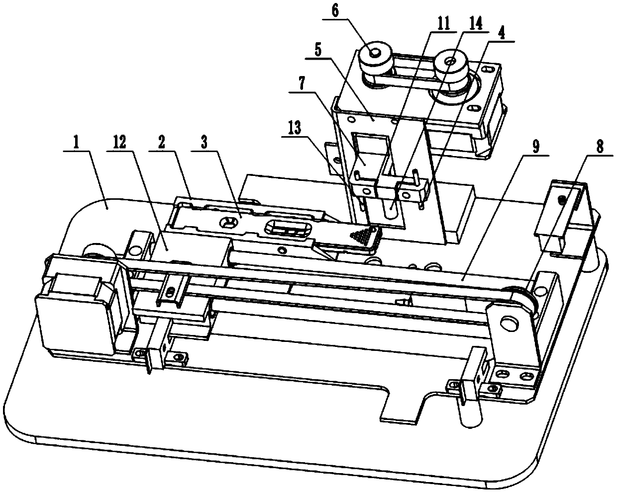
一种免疫层析装置的加液机构
授权日:
2020-07-07
公开(公告)号:
CN210954053U
申请日:
2019-08-30
公开(公告)日:
2020-07-07
当前申请(专利权)人:
重庆康巨全弘生物科技有限公司
发明人:
陈渝峰
简单同族:
CN210954053U
简单同族成员数量:
1
简单同族被引用专利总数:
0
诉讼案件数:
0
法律状态/事件:
授权