首页
专利数据库
产业人才
行业动态
产业政策法规
维权援助
个人中心
登录/注册
详情
文本
图像
标题:
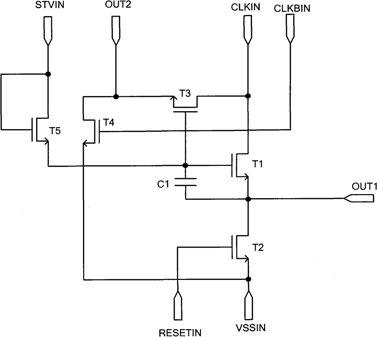
移位寄存器单元、栅极驱动装置及液晶显示器
授权日:
1900-01-01
公开(公告)号:
CN102467890A
申请日:
2010-10-29
公开(公告)日:
2012-05-23
当前申请(专利权)人:
京东方科技集团股份有限公司 | 成都京东方光电科技有限公司
发明人:
谭文 | 祁小敬 | 黄炜赟
简单同族:
CN102467890A | CN102467890B | JP2012099212A | JP5859275B2 | KR101301500B1 | KR1020120046062A | US20120105397A1 | US8614661
简单同族成员数量:
8
简单同族被引用专利总数:
53
诉讼案件数:
0
法律状态/事件:
授权