首页
专利数据库
产业人才
行业动态
产业政策法规
维权援助
个人中心
登录/注册
详情
文本
图像
标题:
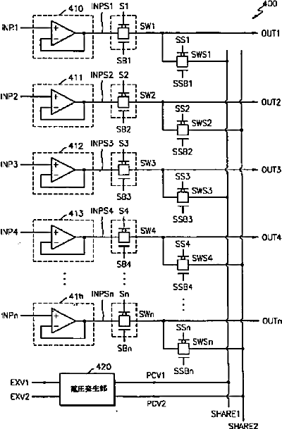
薄膜トランジスタ型液晶表示装置のソースドライバーの出力回路
授权日:
1900-01-01
公开(公告)号:
JP2003228353A
申请日:
2003-01-09
公开(公告)日:
2003-08-15
当前申请(专利权)人:
三星電子株式会社
发明人:
金 基俊
简单同族:
JP2003228353A | JP2009104173A | KR100438784B1 | KR1020030065699A | TW200302448A | TW577041B | US20030142050A1 | US20060071898A1 | US6954192 | US7821485
简单同族成员数量:
10
简单同族被引用专利总数:
59
诉讼案件数:
0
法律状态/事件:
驳回