首页
专利数据库
产业人才
行业动态
产业政策法规
维权援助
个人中心
登录/注册
详情
文本
图像
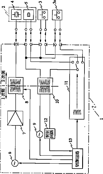
标题:
手術装置
授权日:
1900-01-01
公开(公告)号:
JP2002058678A
申请日:
2000-08-21
公开(公告)日:
2002-02-26
当前申请(专利权)人:
オリンパス株式会社
发明人:
本田 吉隆
简单同族:
JP2002058678A | JP4402272B2
简单同族成员数量:
2
简单同族被引用专利总数:
6
诉讼案件数:
0
法律状态/事件:
未缴年费