首页
专利数据库
产业人才
行业动态
产业政策法规
维权援助
个人中心
登录/注册
详情
文本
图像
标题:
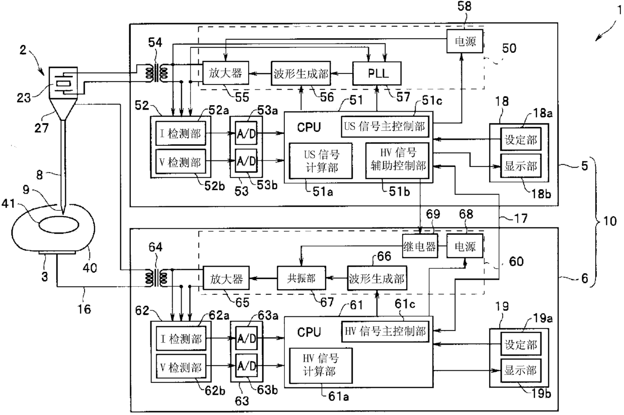
手术系统
授权日:
1900-01-01
公开(公告)号:
CN103826561A
申请日:
2012-08-17
公开(公告)日:
2014-05-28
当前申请(专利权)人:
奥林巴斯株式会社
发明人:
田中一惠 | 三堀贵司 | 本田吉隆 | 本田亮一
简单同族:
CN103826561A | CN103826561B | EP2742886A1 | EP2742886A4 | JP5465353B2 | JPWO2013042498A1 | US20130190660A1 | US20180111009A1 | US9878183 | WO2013042498A1
简单同族成员数量:
10
简单同族被引用专利总数:
20
诉讼案件数:
0
法律状态/事件:
授权 | 权利转移