首页
专利数据库
产业人才
行业动态
产业政策法规
维权援助
个人中心
登录/注册
详情
文本
图像
标题:
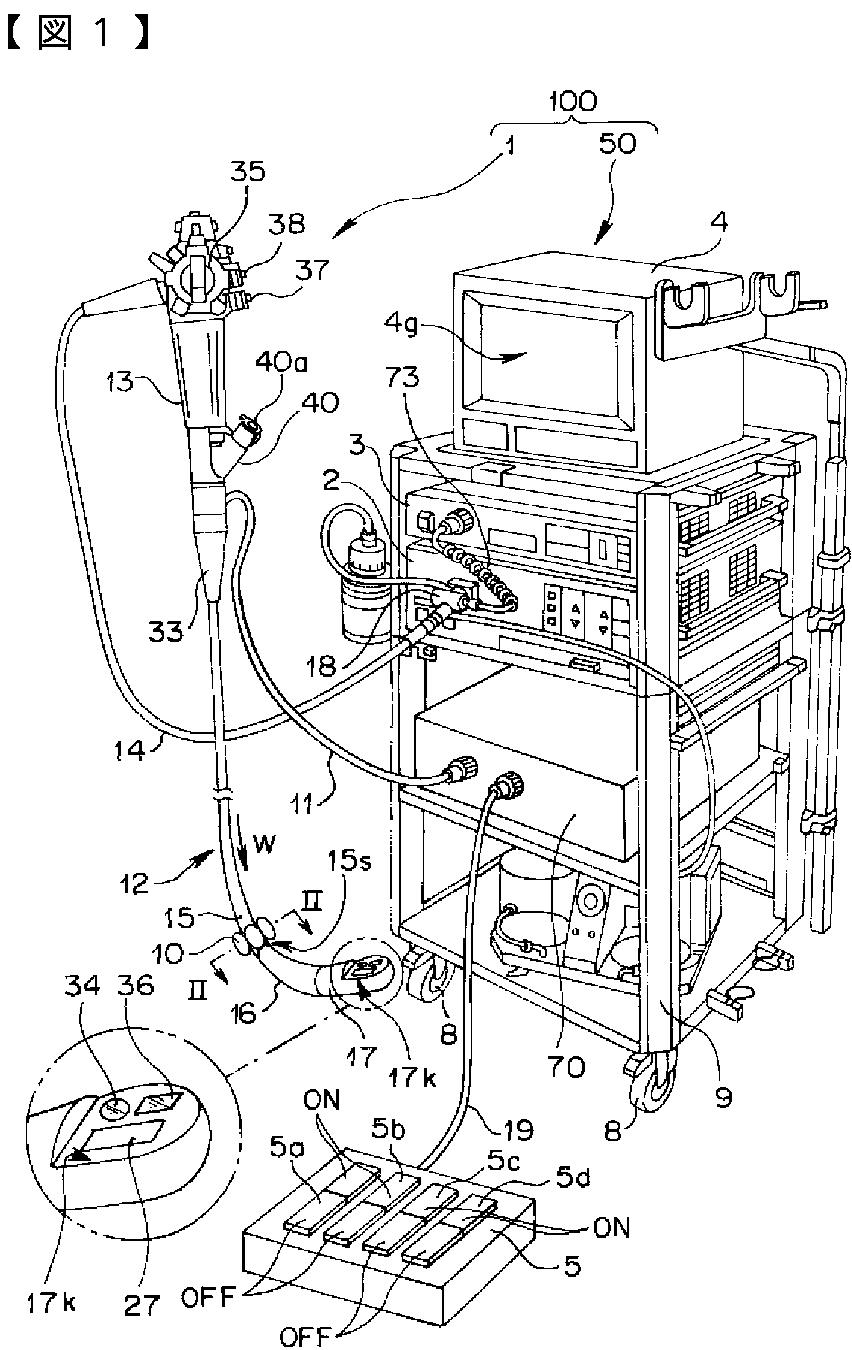
内視鏡システム、内視鏡、支持部材
授权日:
2012-04-27
公开(公告)号:
JP4981680B2
申请日:
2005-11-04
公开(公告)日:
2012-07-25
当前申请(专利权)人:
オリンパスメディカルシステムズ株式会社
发明人:
宮本 諭 | ▲もたい▼ 紘介 | 倉 康人
简单同族:
EP1943938A1 | EP1943938A4 | EP1943938B1 | EP1943938B9 | JP4981680B2 | JPWO2007052354A1 | US20080269559A1 | US8523762 | WO2007052354A1
简单同族成员数量:
9
简单同族被引用专利总数:
59
诉讼案件数:
0
法律状态/事件:
授权 | 权利转移