首页
专利数据库
产业人才
行业动态
产业政策法规
维权援助
个人中心
登录/注册
详情
文本
图像
标题:
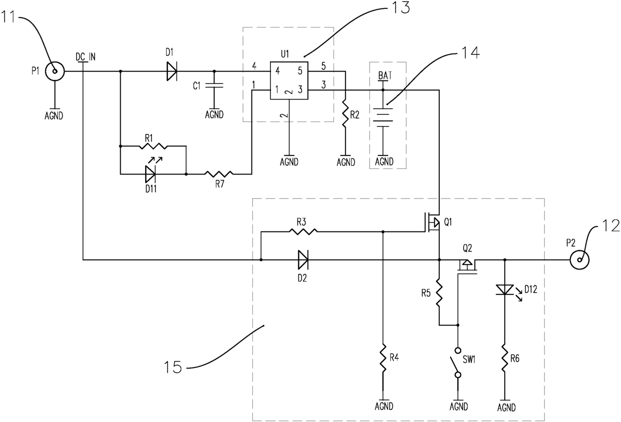
小型可视影像内窥镜及其控制电路
授权日:
2016-11-09
公开(公告)号:
CN205672010U
申请日:
2016-04-21
公开(公告)日:
2016-11-09
当前申请(专利权)人:
珠海邦兴电子科技有限公司
发明人:
孙俊 | 杨青建 | 林育平
简单同族:
CN205672010U
简单同族成员数量:
1
简单同族被引用专利总数:
0
诉讼案件数:
0
法律状态/事件:
授权