首页
专利数据库
产业人才
行业动态
产业政策法规
维权援助
个人中心
登录/注册
详情
文本
图像
标题:
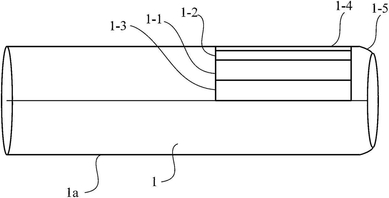
用于医用电子内窥镜的工具轴、医用电子内窥镜
授权日:
1900-01-01
公开(公告)号:
CN102743147A
申请日:
2012-07-24
公开(公告)日:
2012-10-24
当前申请(专利权)人:
北京圣博亚科技有限公司
发明人:
马永
简单同族:
CN102743147A
简单同族成员数量:
1
简单同族被引用专利总数:
0
诉讼案件数:
0
法律状态/事件:
驳回