首页
专利数据库
产业人才
行业动态
产业政策法规
维权援助
个人中心
登录/注册
详情
文本
图像
标题:
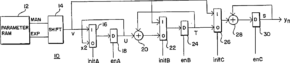
Parametric transmit waveform generator for medical ultrasound imaging system
授权日:
1900-01-01
公开(公告)号:
US20030125627A1
申请日:
2003-01-06
公开(公告)日:
2003-07-03
当前申请(专利权)人:
ACUSON CORPORATION
发明人:
GEE, ALBERT
简单同族:
US20030125627A1 | US6551244 | US6669637
简单同族成员数量:
3
简单同族被引用专利总数:
34
诉讼案件数:
0
法律状态/事件:
授权