首页
专利数据库
产业人才
行业动态
产业政策法规
维权援助
个人中心
登录/注册
详情
文本
图像
标题:
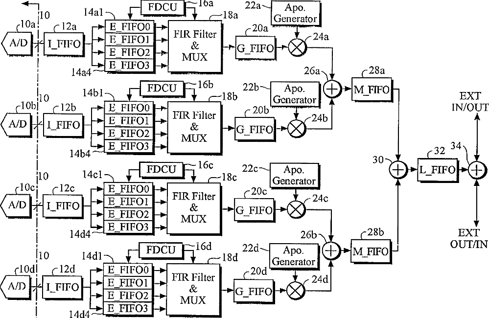
Ultrasound receive beamforming apparatus using multi stage delay devices
授权日:
1900-01-01
公开(公告)号:
US20010051772A1
申请日:
2001-03-28
公开(公告)日:
2001-12-13
当前申请(专利权)人:
MEDISON CO., LTD.
发明人:
BAE, MOO-HO
简单同族:
DE10114402A1 | KR100355719B1 | KR1020010111339A | US20010051772A1 | US6494842
简单同族成员数量:
5
简单同族被引用专利总数:
33
诉讼案件数:
0
法律状态/事件:
授权 | 权利转移