首页
专利数据库
产业人才
行业动态
产业政策法规
维权援助
个人中心
登录/注册
详情
文本
图像
标题:
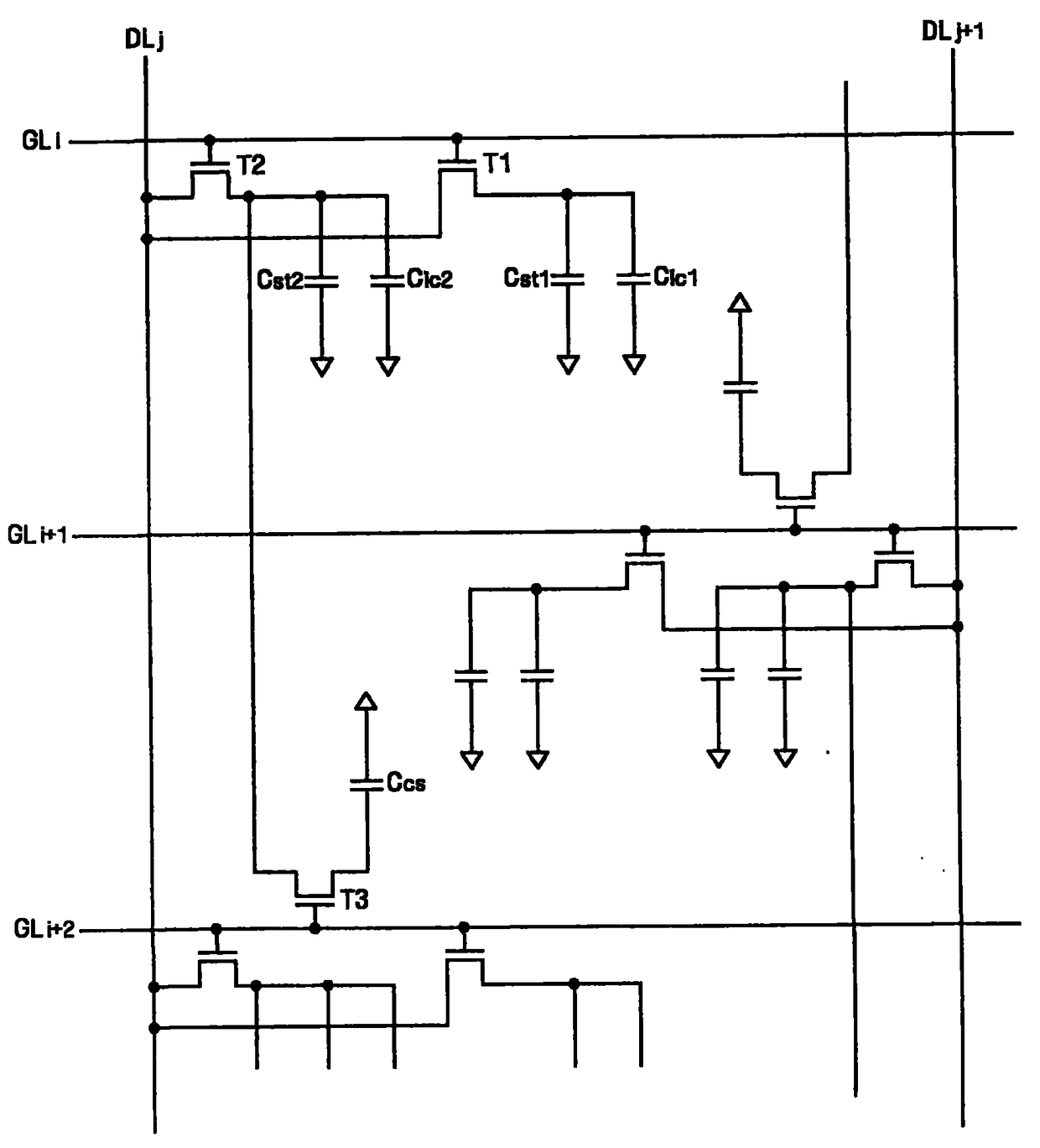
液晶显示器及其驱动方法
授权日:
2012-11-14
公开(公告)号:
CN101354512B
申请日:
2008-07-24
公开(公告)日:
2012-11-14
当前申请(专利权)人:
三星显示有限公司
发明人:
刘惠兰 | 朴乘范 | 严允成 | 朴振远 | 都熙旭 | 金勋
简单同族:
CN101354512A | CN101354512B | KR101358334B1 | KR1020090010764A | US20090027581A1 | US20110181804A1 | US20130328850A1 | US7940346 | US8520160 | US9466248
简单同族成员数量:
10
简单同族被引用专利总数:
139
诉讼案件数:
0
法律状态/事件:
授权 | 权利转移