首页
专利数据库
产业人才
行业动态
产业政策法规
维权援助
个人中心
登录/注册
详情
文本
图像
标题:
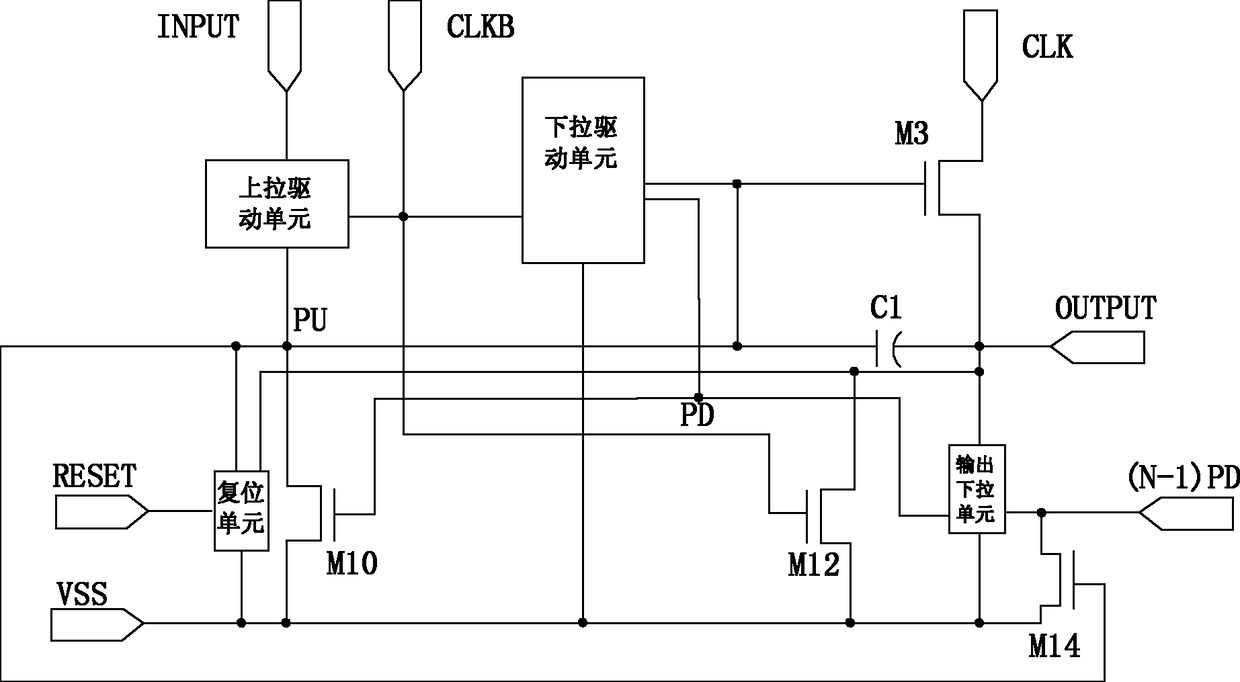
移位寄存器、栅极驱动器及显示装置
授权日:
2012-09-19
公开(公告)号:
CN202443728U
申请日:
2012-03-05
公开(公告)日:
2012-09-19
当前申请(专利权)人:
京东方科技集团股份有限公司
发明人:
张玉婷
简单同族:
CN202443728U | US20140240209A1 | US9793004 | WO2013131425A1
简单同族成员数量:
4
简单同族被引用专利总数:
77
诉讼案件数:
0
法律状态/事件:
授权