首页
专利数据库
产业人才
行业动态
产业政策法规
维权援助
个人中心
登录/注册
详情
文本
图像
标题:
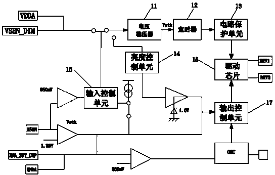
一种液晶显示器驱动装置
授权日:
2015-02-04
公开(公告)号:
CN204143842U
申请日:
2014-11-14
公开(公告)日:
2015-02-04
当前申请(专利权)人:
深圳市海菲光电发展有限公司
发明人:
郑泽鑫 | 郑俊涛 | 智雨生
简单同族:
CN204143842U
简单同族成员数量:
1
简单同族被引用专利总数:
0
诉讼案件数:
0
法律状态/事件:
授权