标题:
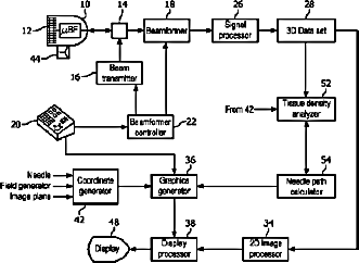
生検における針経路の超音波誘導
授权日:
1900-01-01
公开(公告)号:
JP2015507514A
申请日:
2013-01-17
公开(公告)日:
2015-03-12
当前申请(专利权)人:
コーニンクレッカ フィリップス エヌ ヴェ
发明人:
クダヴェリー,スリニヴァス ラオ | バンダル,ラジャ セカール
简单同族:
BR112014017369A2 | BR112014017369A8 | CN104053403A | CN104053403B | EP2804532A1 | EP2804532B1 | JP2015507514A | JP2015507514A5 | JP5992539B2 | RU2014133631A | RU2638621C2 | US20140350390A1 | US9597054 | WO2013108198A1
简单同族成员数量:
14
简单同族被引用专利总数:
24
诉讼案件数:
0
法律状态/事件:
授权