首页
专利数据库
产业人才
行业动态
产业政策法规
维权援助
个人中心
登录/注册
详情
文本
图像
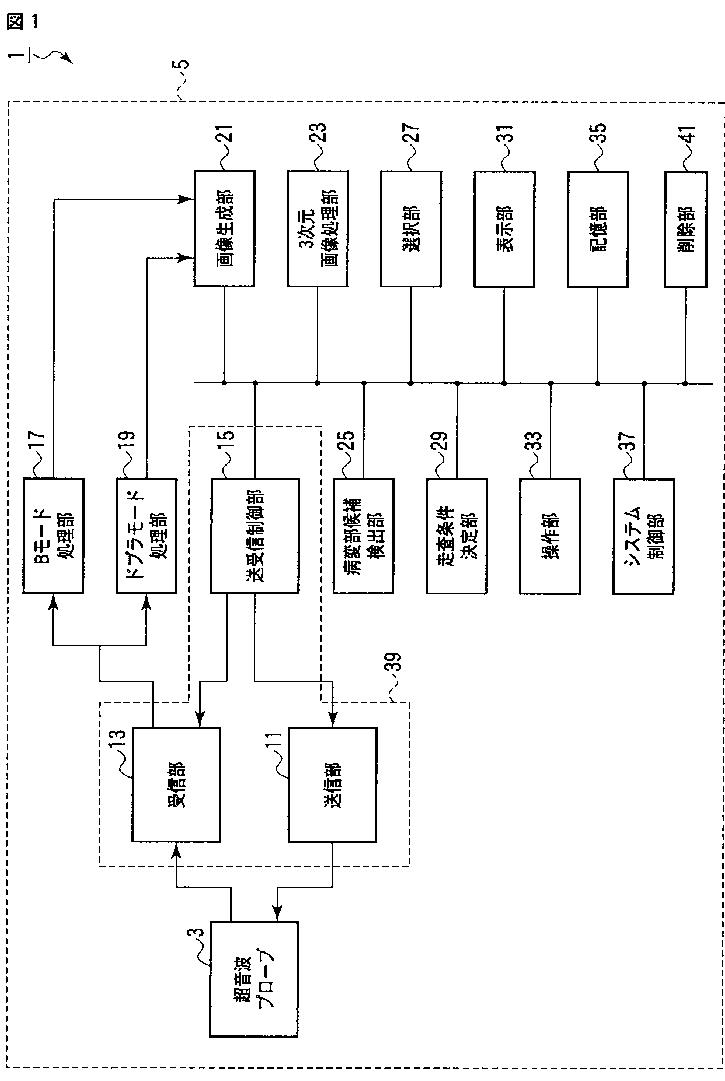
标题:
超音波診断装置及び超音波診断プログラム
授权日:
1900-01-01
公开(公告)号:
JP2013099378A
申请日:
2011-11-07
公开(公告)日:
2013-05-23
当前申请(专利权)人:
株式会社東芝 | 東芝メディカルシステムズ株式会社
发明人:
車 俊昊 | 後藤 英二 | 田中 豪 | 貞光 和俊 | 栗田 康一郎 | 久我 衣津紀
简单同族:
JP2013099378A
简单同族成员数量:
1
简单同族被引用专利总数:
0
诉讼案件数:
0
法律状态/事件:
撤回