首页
专利数据库
产业人才
行业动态
产业政策法规
维权援助
个人中心
登录/注册
详情
文本
图像
标题:
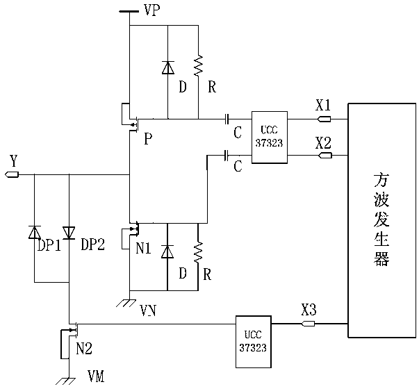
一种眼科A/B型超声诊断仪可编程变频发射电路
授权日:
1900-01-01
公开(公告)号:
CN110176918A
申请日:
2019-06-03
公开(公告)日:
2019-08-27
当前申请(专利权)人:
成都视达康医疗科技有限公司
发明人:
皮家礼
简单同族:
CN110176918A | CN110176918B
简单同族成员数量:
2
简单同族被引用专利总数:
0
诉讼案件数:
0
法律状态/事件:
授权