首页
专利数据库
产业人才
行业动态
产业政策法规
维权援助
个人中心
登录/注册
详情
文本
图像
标题:
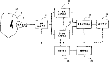
图像形成方法及装置和超声成像装置
授权日:
1900-01-01
公开(公告)号:
CN1317293A
申请日:
2001-03-22
公开(公告)日:
2001-10-17
当前申请(专利权)人:
GE医疗系统环球技术有限公司
发明人:
铃木阳一
简单同族:
CN1317293A | DE60140916D1 | EP1136841A2 | EP1136841A3 | EP1136841B1 | JP2001258886A | JP4117383B2 | KR1020010098417A | US20010025143A1 | US6485424
简单同族成员数量:
10
简单同族被引用专利总数:
26
诉讼案件数:
0
法律状态/事件:
撤回