首页
专利数据库
产业人才
行业动态
产业政策法规
维权援助
个人中心
登录/注册
详情
文本
图像
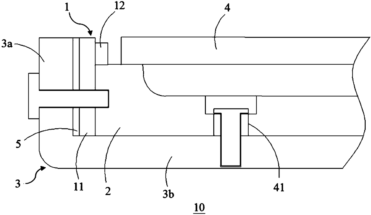
标题:
液晶显示器及其背光模组
授权日:
1900-01-01
公开(公告)号:
CN107544179A
申请日:
2017-09-07
公开(公告)日:
2018-01-05
当前申请(专利权)人:
深圳市华星光电技术有限公司
发明人:
景小红
简单同族:
CN107544179A
简单同族成员数量:
1
简单同族被引用专利总数:
0
诉讼案件数:
0
法律状态/事件:
实质审查