首页
专利数据库
产业人才
行业动态
产业政策法规
维权援助
个人中心
登录/注册
详情
文本
图像
标题:
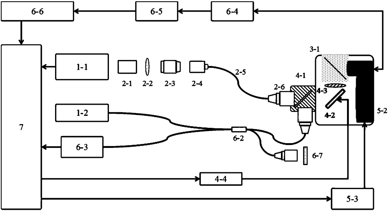
多模态光学成像系统
授权日:
1900-01-01
公开(公告)号:
CN107713994A
申请日:
2017-11-14
公开(公告)日:
2018-02-23
当前申请(专利权)人:
电子科技大学
发明人:
奚磊 | 金天 | 秦伟 | 姚磊
简单同族:
CN107713994A
简单同族成员数量:
1
简单同族被引用专利总数:
0
诉讼案件数:
0
法律状态/事件:
实质审查