首页
专利数据库
产业人才
行业动态
产业政策法规
维权援助
个人中心
登录/注册
详情
文本
图像
标题:
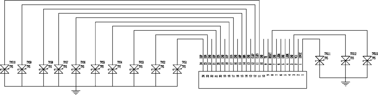
一种防静电LCD液晶显示模组
授权日:
2015-01-14
公开(公告)号:
CN204101857U
申请日:
2014-07-08
公开(公告)日:
2015-01-14
当前申请(专利权)人:
万昌隆电子科技(深圳)有限公司
发明人:
梁华峰
简单同族:
CN204101857U
简单同族成员数量:
1
简单同族被引用专利总数:
0
诉讼案件数:
0
法律状态/事件:
未缴年费