首页
专利数据库
产业人才
行业动态
产业政策法规
维权援助
个人中心
登录/注册
详情
文本
图像
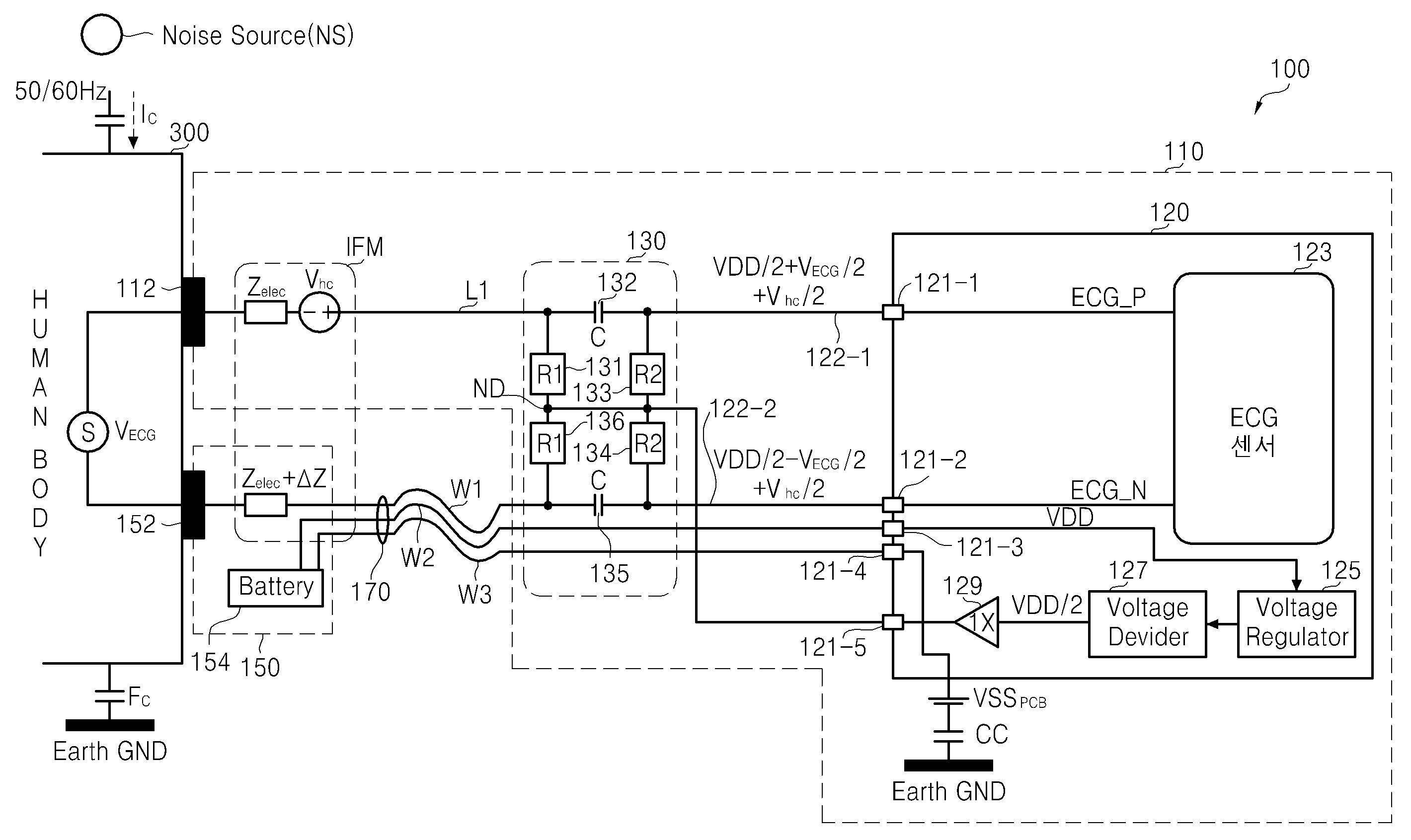
标题:
발명의 명칭 외부 플로팅 하이 패스 필터를 포함하는 패치와 이를 포함하는 ECG 패치
授权日:
1900-01-01
公开(公告)号:
KR1020170058231A
申请日:
2016-03-09
公开(公告)日:
2017-05-26
当前申请(专利权)人:
삼성전자주식회사
发明人:
백민건 | 엄용 | 조희재
简单同族:
CN106963365A | KR1020170058231A | TW201717846A
简单同族成员数量:
3
简单同族被引用专利总数:
0
诉讼案件数:
0
法律状态/事件:
实质审查