首页
专利数据库
产业人才
行业动态
产业政策法规
维权援助
个人中心
登录/注册
详情
文本
图像
标题:
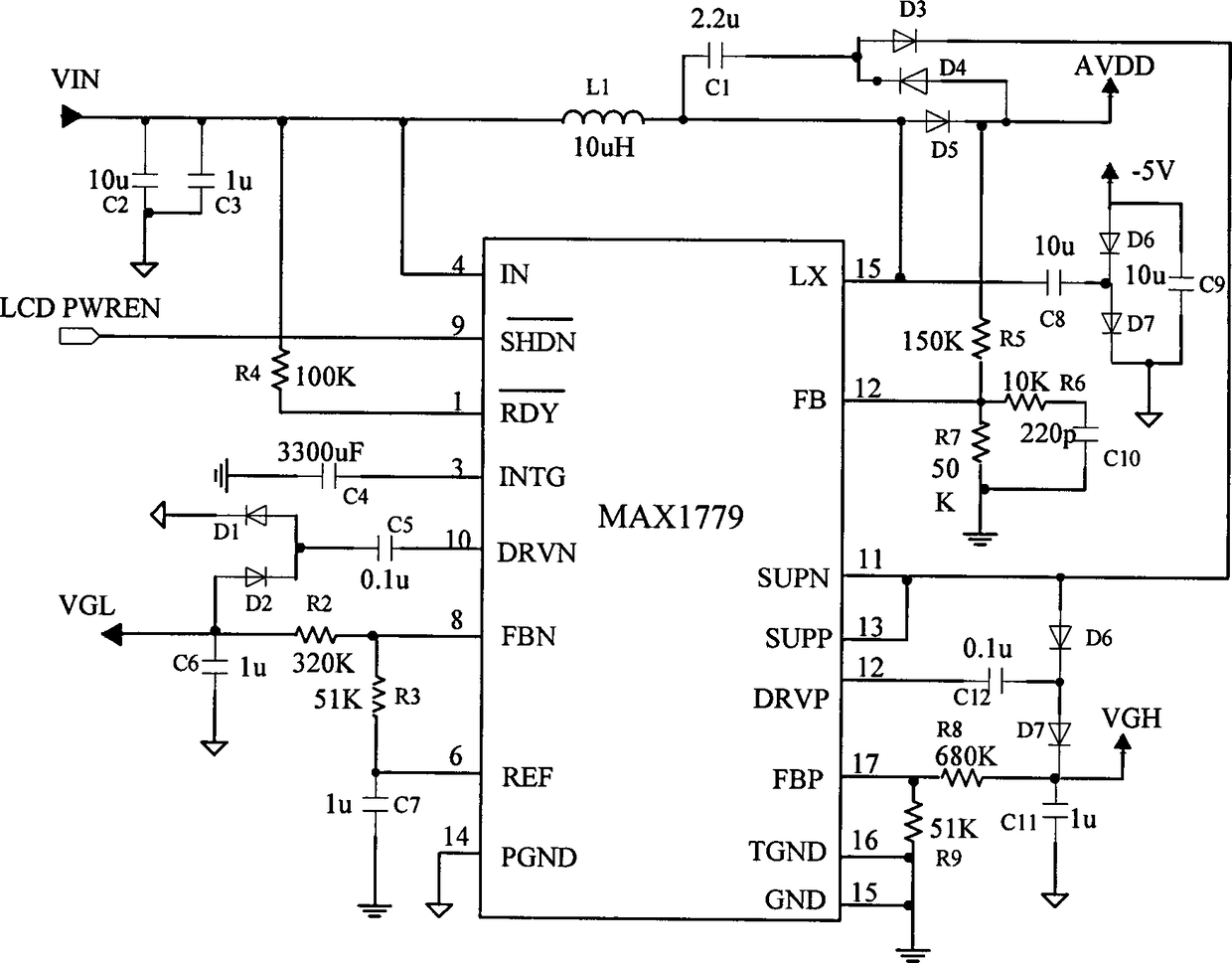
一种手持终端液晶屏驱动电路
授权日:
2014-04-02
公开(公告)号:
CN203520843U
申请日:
2013-10-30
公开(公告)日:
2014-04-02
当前申请(专利权)人:
深圳中林瑞德科技有限公司
发明人:
夏朝猛 | 许群 | 李湘根
简单同族:
CN203520843U
简单同族成员数量:
1
简单同族被引用专利总数:
0
诉讼案件数:
0
法律状态/事件:
未缴年费