首页
专利数据库
产业人才
行业动态
产业政策法规
维权援助
个人中心
登录/注册
详情
文本
图像
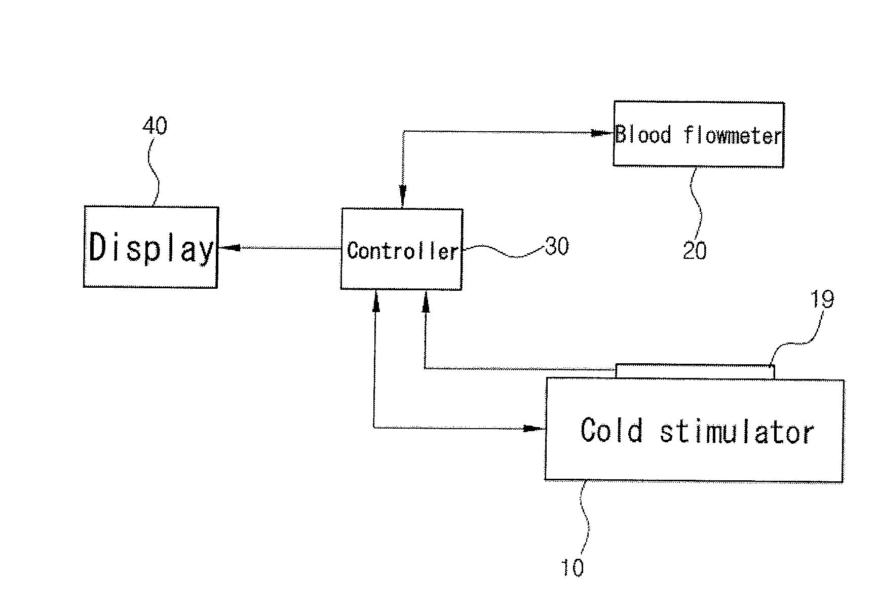
标题:
Cold reflex tester
授权日:
1900-01-01
公开(公告)号:
US20100241025A1
申请日:
2009-07-14
公开(公告)日:
2010-09-23
当前申请(专利权)人:
KOREA ELECTRO TECHNOLOGY RESEARCH INSTITUTE
发明人:
BAE, YOUNG MIN | KANG, UK | KIM, SERGEY | KIM, GUANG HOON | LEE, DAE SIC
简单同族:
DE102009035532A1 | DE102009035532B4 | JP2010221001A | JP5005738B2 | KR100977461B1 | US20100241025A1
简单同族成员数量:
6
简单同族被引用专利总数:
7
诉讼案件数:
0
法律状态/事件:
撤回 | 权利转移