标题:
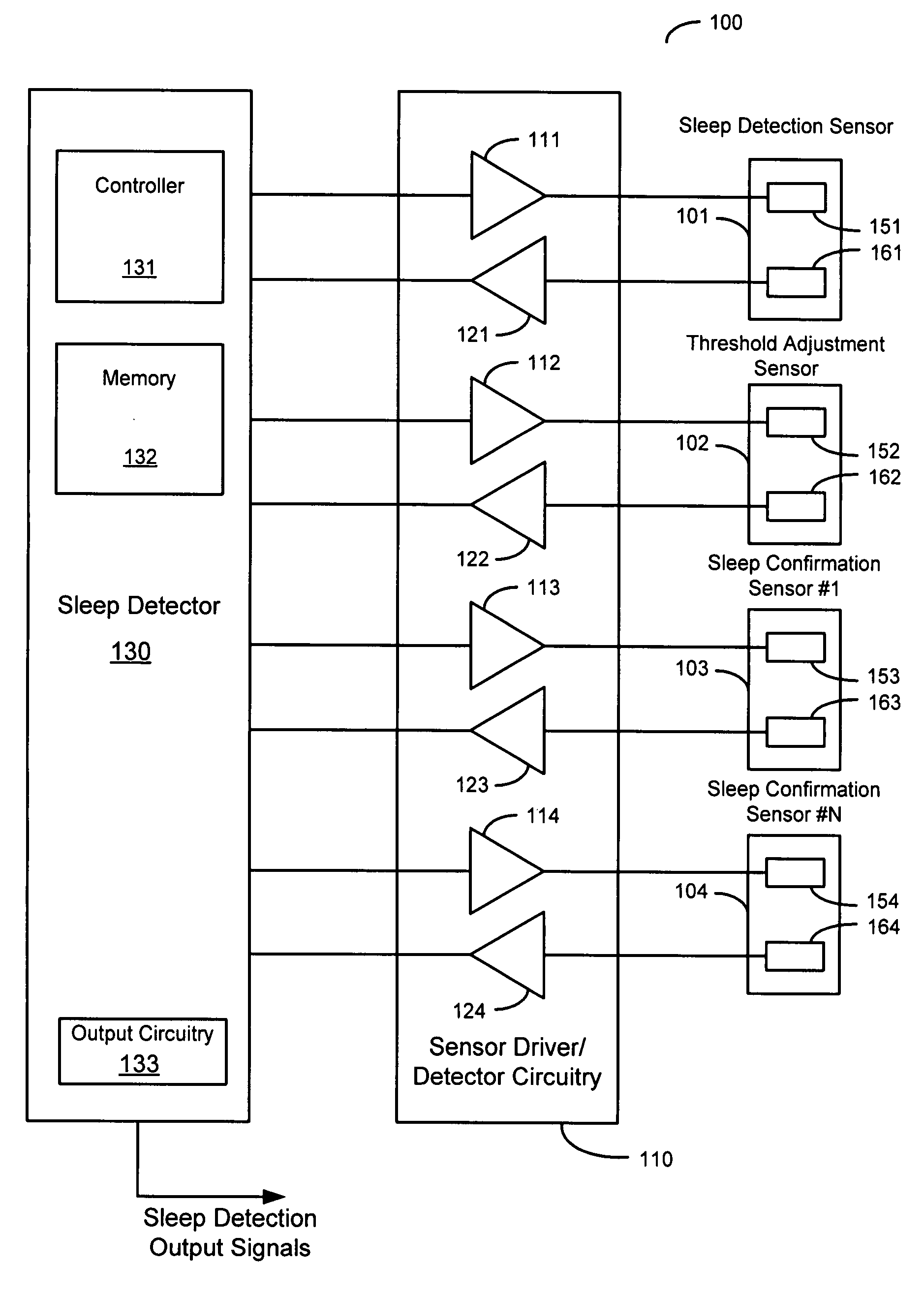
Sleep detection using an adjustable threshold
授权日:
1900-01-01
公开(公告)号:
US20070161873A1
申请日:
2007-03-13
公开(公告)日:
2007-07-12
当前申请(专利权)人:
CARDIAC PACEMAKERS, INC.
发明人:
NI, QUAN | HAJENGA, ZOE | DAUM, DOUGLAS R. | STAHMANN, JEFF E. | HATLESTAD, JOHN D. | LEE, KENT
简单同族:
AT387140T | AU2003293358A1 | DE60319419D1 | DE60319419T2 | EP1575425A1 | EP1575425B1 | JP2006508745A | JP2006508745A5 | JP4617160B2 | US20040111041A1 | US20070161873A1 | US20140005503A1 | US7189204 | US8535222 | US8956295 | WO2004049931A1
简单同族成员数量:
16
简单同族被引用专利总数:
363
诉讼案件数:
0
法律状态/事件:
授权