首页
专利数据库
产业人才
行业动态
产业政策法规
维权援助
个人中心
登录/注册
详情
文本
图像
标题:
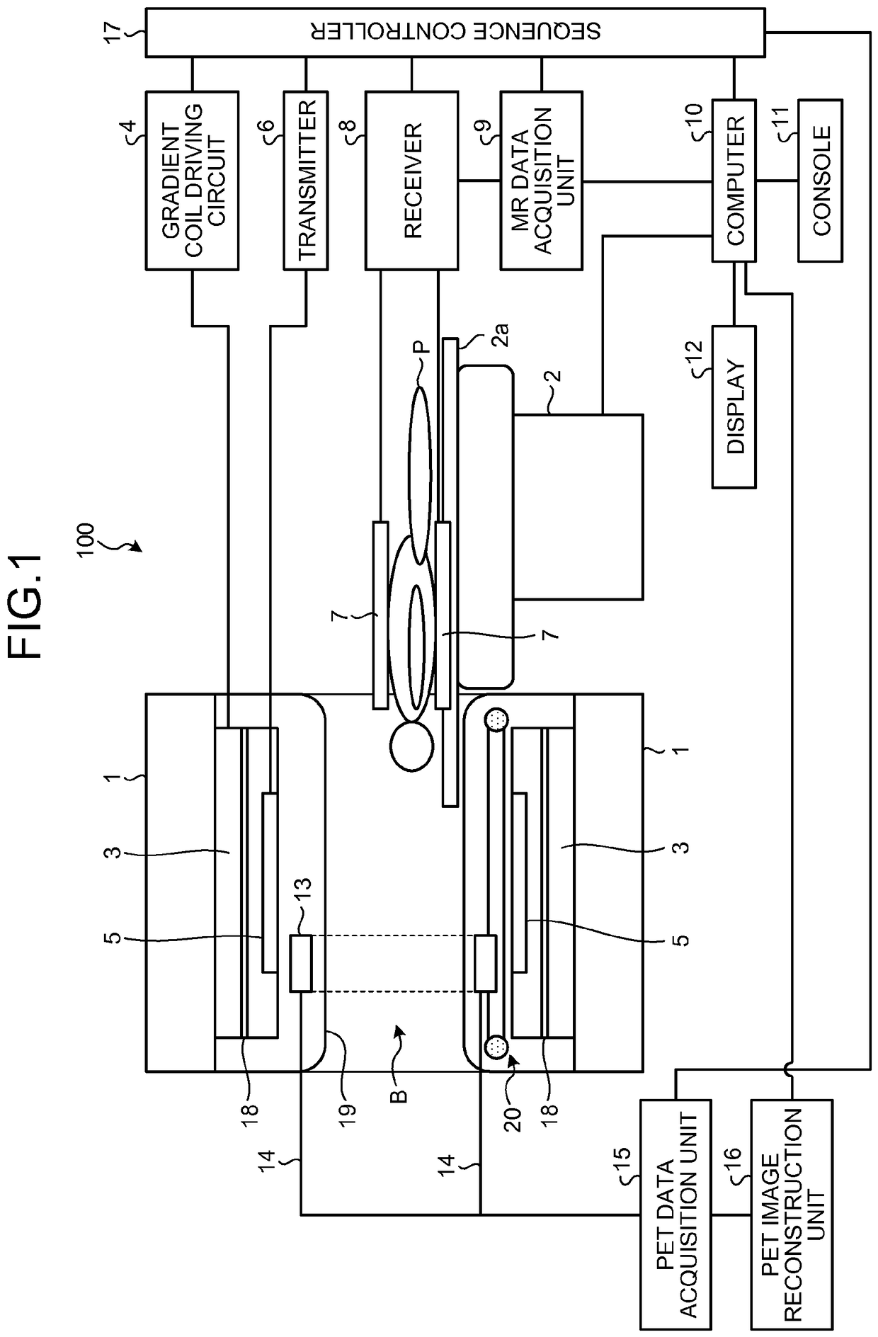
Pet-mri device
授权日:
2019-02-27
公开(公告)号:
EP2843443B1
申请日:
2013-04-24
公开(公告)日:
2019-02-27
当前申请(专利权)人:
TOSHIBA MEDICAL SYSTEMS CORPORATION
发明人:
OKAMOTO, KAZUYA | TAKAYAMA, TAKUZO | YAMAGATA, HITOSHI
简单同族:
CN103608698A | EP2843443A1 | EP2843443A4 | EP2843443B1 | JP2013228226A | US10067207 | US20150045653A1 | WO2013161908A1
简单同族成员数量:
8
简单同族被引用专利总数:
12
诉讼案件数:
0
法律状态/事件:
授权 | 权利转移