首页
专利数据库
产业人才
行业动态
产业政策法规
维权援助
个人中心
登录/注册
详情
文本
图像
标题:
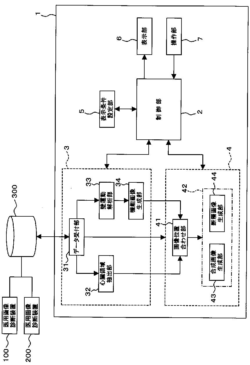
医用画像処理装置
授权日:
2014-04-18
公开(公告)号:
JP5523681B2
申请日:
2008-06-11
公开(公告)日:
2014-06-18
当前申请(专利权)人:
株式会社東芝 | 東芝メディカルシステムズ株式会社
发明人:
若井 智司 | 山形 仁
简单同族:
CN101336844A | CN101336844B | JP2009028515A | JP2014000475A | JP2015180292A | JP5523681B2 | JP6073971B2 | US20090010519A1 | US20120207371A1 | US8213699 | US8447090
简单同族成员数量:
11
简单同族被引用专利总数:
155
诉讼案件数:
0
法律状态/事件:
授权 | 权利转移