首页
专利数据库
产业人才
行业动态
产业政策法规
维权援助
个人中心
登录/注册
详情
文本
图像
标题:
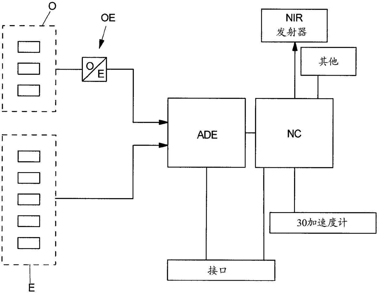
生物信号获取设备和系统、获取生物信号的方法
授权日:
1900-01-01
公开(公告)号:
CN109069051A
申请日:
2017-03-17
公开(公告)日:
2018-12-21
当前申请(专利权)人:
柏林工业大学
发明人:
亚历山大·冯卢曼 | 克劳斯-罗伯特·穆勒
简单同族:
AU2017247879A1 | CA3019871A1 | CN109069051A | EP3439552A1 | US20170281014A1 | WO2017174330A1
简单同族成员数量:
6
简单同族被引用专利总数:
4
诉讼案件数:
0
法律状态/事件:
实质审查