首页
专利数据库
产业人才
行业动态
产业政策法规
维权援助
个人中心
登录/注册
详情
文本
图像
标题:
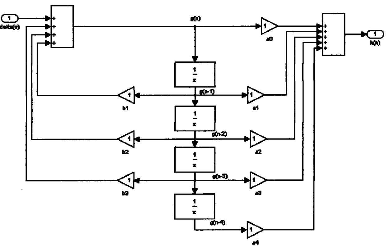
IIR滤波器的零相位实现方法及零相位IIR滤波装置
授权日:
2012-07-04
公开(公告)号:
CN101361650B
申请日:
2007-08-07
公开(公告)日:
2012-07-04
当前申请(专利权)人:
深圳市理邦精密仪器股份有限公司
发明人:
孔令锋 | 魏大雪
简单同族:
CN101361650A | CN101361650B
简单同族成员数量:
2
简单同族被引用专利总数:
11
诉讼案件数:
0
法律状态/事件:
授权