首页
专利数据库
产业人才
行业动态
产业政策法规
维权援助
个人中心
登录/注册
详情
文本
图像
标题:
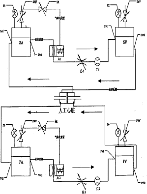
一种人工心脏的模拟循环测试系统
授权日:
1900-01-01
公开(公告)号:
CN1846605A
申请日:
2006-04-30
公开(公告)日:
2006-10-18
当前申请(专利权)人:
重庆大学
发明人:
廖斌 | 郑小林 | 邓小燕 | 曹湧
简单同族:
CN100348279C | CN1846605A
简单同族成员数量:
2
简单同族被引用专利总数:
11
诉讼案件数:
0
法律状态/事件:
未缴年费