首页
专利数据库
产业人才
行业动态
产业政策法规
维权援助
个人中心
登录/注册
详情
文本
图像
标题:
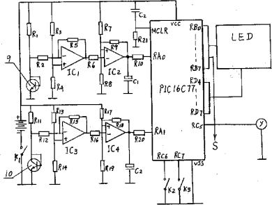
双侧体温测定仪及用双侧体温节律确定治病时间的方法
授权日:
1900-01-01
公开(公告)号:
CN1439332A
申请日:
2003-03-23
公开(公告)日:
2003-09-03
当前申请(专利权)人:
童建
发明人:
童建
简单同族:
CN1439332A
简单同族成员数量:
1
简单同族被引用专利总数:
0
诉讼案件数:
0
法律状态/事件:
撤回